COMPANY HEADER
Request Information
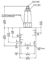
A screw-in cartridge, direct acting, spool type, pressure reducing/relieving valve with internal spring chamber drain, intended for use as a pressure regulating device. This valve maintains a secondary regulated/reduced pressure regardless of pressure variations in the primary system. In addition to the reducing function, this valve also provides a relief function from the reduced pressure port to the tank port, if pressure in the secondary circuit exceeds the set pressure.
Unit of Measure

Specifications

Type

N/A Screw-In Cartridge Pressure Control Valve

Style

N/A Pressure Reducing/Relieving, Direct Acting, Spool Type

Model Code Description

N/A DR10-01-C-N-190V058

Valve Model

N/A DR10-01

Body

N/A Cartridge only

Seals

N/A Buna-N

Adjustment Range

N/A 50 to 131 bar725 to 1900 psi

Adjustment Options

N/A Allen Head (HEX 5/32 in.)

Optional Setting

N/A 058 psi

Desired Pressure

N/A 580 psi

Operating Pressure

N/A 420 bar6000 psi

Nominal Flow

N/A 16 gpm60 L/min

Actuated Spring Pressure at 1 Revolution

N/A 14 %

Minimum Fluid Operating Temperature

N/A -20 ºC-4 ºF

Maximum Fluid Operating Temperature

N/A 120 ºC248 ºF

Fluid Compatibility

N/A Mineral-Based or Synthetics with Lubricating Properties

Viscosity

N/A 7.4 to 420 cSt50 to 2000 SUS

Filtration

N/A 21/19/16 or Cleaner (Per ISO 4406), Use with Filter Rated ß10 ≥ 200

Installation

N/A No Orientation Restrictions

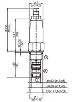
Cavity

N/A FC10-3

Cavity Tools (Rougher)

N/A 02580092

Cavity Tools (Finisher)

N/A 02580093

Cartridge Weight

N/A 0.58 lb0.262 kg

Cartridge Material

N/A Steel

Work Surface

N/A Hardened

Exposed Surface

N/A Zinc Plated

O-Ring Material

N/A Buna-N or Viton®

Back-Up Ring Material

N/A Polytetrafluoroethylene (PTFE)

Seal Kits

N/A FS103-N, P/N: 03071274

Connection Type

N/A Cartridge Only

Flow Direction

N/A Bidirectional

Pressure Compensation

N/A Pressure Reducing/Relieving

Action Type

N/A Direct

Valve Operator

N/A Allen Head

Industry Standards/Certifications

N/A International Organization for Standardization (ISO)

BUn

N/A EA

Division

N/A HYDRAULIC DIVISION

Product Group Family

N/A CARTRIDGE VALVES-PRESS REDUCING/RELIEVIN

Product

N/A CARTRIDGE VALVES

Operation

N/A The DR10-01 allows bidirectional flow between port 2 and port 1 with the spring chamber drained through port 3. Once the pressure setting is reached at port 1, the spool shifts to restrict the flow at port 2, thereby regulating pressure at port 1. If pressure at port 1exceeds the setting of the valve, the spool will shift further and relieve excess pressure through port 3. Any pressure at port 3 is directly additive to valve pressure setting.

Features

N/A

  • Spring ranges up to 1900 psi (131 bar)
  • Positive stop prevents spring from over adjustment (options V,H)
  • Adjustable under full pressure
  • Stroke limiting device for enhanced safety
  • Fast response
  • All external surfaces zinc-plated
  • Hardened poppet to ensure minimal wear and extend service life
  • Industry common cavity