COMPANY HEADER
Request Information
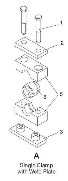
Standard duty clamps with rubber inserts
Unit of Measure

Specifications

Type

N/A Standard Duty Clamp

Model Code Description

N/A HREL 4 A 6 PP A4 UNC

Series

N/A HREL

Clamp Size

N/A 4

Arrangement

N/A Single Clamp with Top Plate and Weld Plate

Material

N/A Polypropylene

Metal Components Materials

N/A 316 Stainless Steel

Insert Material

N/A Rubber

Industry Standards/Certifications

N/A DIN 3015

BUn

N/A EA

Division

N/A ACCESSORIES

Product Group Family

N/A MOUNTING COMPONENTS

Product

N/A CLAMPS

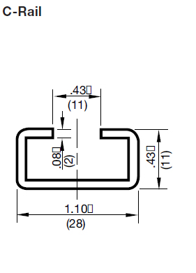
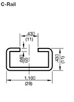
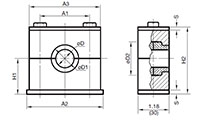
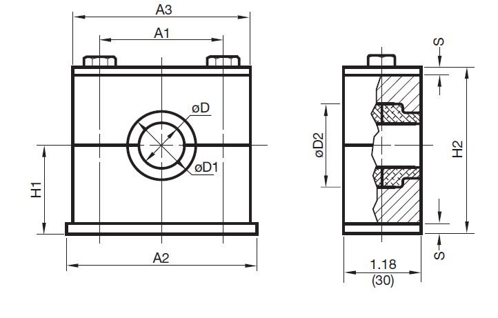
Dimensions

Diameter D Bore Size

N/A 0.24 in6 mm

Minimum Hose O.D.

N/A 0.22 in

Maximum Hose O.D.

N/A 0.24 in

Dimension A1

N/A 1.57 in40 mm

Dimension A2

N/A 2.32 in59 mm

Dimension A3

N/A 2.24 in57 mm

Dimension H1

N/A 0.925 in23.5 mm

Dimension H2

N/A 1.85 in47 mm

Diameter D1

N/A 1.00 in25.4 mm

Diameter D2

N/A 1.22 in31 mm

Dimension S

N/A 0.118 in3 mm

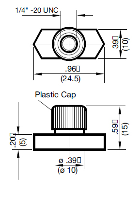
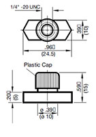
Bolt Size

N/A 1/4-20 x 1-3/4, M6 x 45