DF Series Inline Filters 6090 psi, up to 200 gpm
Unit of Measure

Specifications

Model Code Description

N/A DF ON 110TC10A1.0/12B3

Type

N/A High Pressure Filter

Size

N/A 110

Port Configuration

N/A SAE Straight Thread O-ring Boss Ports

Port Connection

N/A 3/4 in.

Filter Type

N/A Inline Filter

Indication Type

N/A A = No indicator, plugged port

Seals

N/A Nitrile Rubber (NBR)

Weight

N/A 12 lb

Cap Material

N/A Steel

Type Number

N/A 1

Modification Number

N/A 0

BUn

N/A EA

Division

N/A HYDRAULIC AND LUBE FILTERS

Product Group Family

N/A FILTERS-HIGH PRESSURE (ò3000 PSI)

Product

N/A FILTERS-HIGH PRESSURE (>3000PSI)

Technical Specifications

Flow Capacity

N/A 29 gpm110 L/min

Maximum Allowable Housing Working Pressure Rating

N/A 420 bar6090 psi

Filter Rating

N/A 10 µm

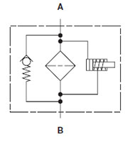
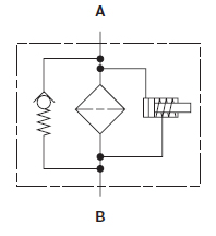
Bypass Valve

N/A B3

Construction Material for Head

N/A Ductile Iron

Construction Material for Bowl

N/A Steel

Mounting Method

N/A 4 Mounting Holes

Flow Direction

N/A Inside - Outside

Minimum Fluid Temperature

N/A -10 ºC14 ºF

Maximum Fluid Temperature

N/A 100 ºC212 ºF

Note for Fluid Temperature Range

N/A Consult HYDAC for applications operating below 14ºF (-10ºC)

Bypass Valve Cracking Pressure

N/A 3 bar43 psid

Tolerance for Cracking Pressure (Standard)

N/A 10 %

Tolerance for Cracking Pressure (Optional)

N/A 10 %

Fatigue Housing Pressure Rating at 1 Million Cycles

N/A 420 bar6090 psi

Element Collapse Pressure Rating

N/A 20 bar290 psi

Burst Housing Pressure Rating

N/A 1200 bar17400 psi

Element K Factors

N/A 0.333

Fluid Compatibility

N/A Compatible with all hydrocarbon based, synthetic, water glycol, oil/water emulsion, and high water based fluids when the appropriate seals are selected.

Dimensions

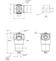
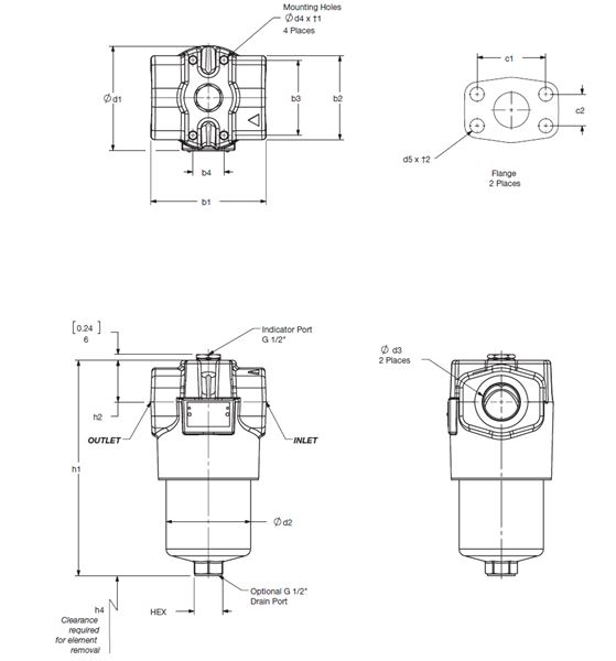
Dimensional Image

N/A
Dimensional Image for In-Line Industrial Filter - DF Series (6090 PSI) DF 60/330

Dimension b1

N/A 3.54 in90 mm

Diameter d1

N/A 3.39 in86 mm

Dimension h1

N/A 9.88 in251 mm

Dimension b2

N/A 2.8 in71 mm

Dimension b3

N/A 2.2 in56 mm

Dimension b4

N/A 1.26 in32 mm

Dimension d2

N/A 2.68 in68 mm

Dimension d3

N/A 3/4 in.

Dimension d4

N/A 1/4-28UNF- 2B

Dimension h2

N/A 1.57 in40 mm

Dimension h4

N/A 3.35 in85 mm

Dimension t1

N/A 0.35 in9 mm

Features

N/A

  • Non-welded housing design reduces stress concentrations and prevents fatigue failure.
  • Choice of NPT, BSPP, SAE straight thread O-ring boss, and SAE 4-bolt flange porting (sizes 60 - 1320) to allow easy installation with maximum flexibility.
  • O-ring seals are used to provide positive, reliable sealing. Choice of O-ring materials (nitrile rubber, fluorocarbon elastomer, and ethylene propylene rubber) provides compatibility with petroleum oils, synthetic fluids, water-glycols, oil/water emulsions, and high water based fluids.
  • Screw-in bowl or lid (on 2-pc. bowls) mounted below the filter head requires minimal clearance to remove the element for replacement and contaminated fluid cannot be washed downstream when element is serviced.
  • HYDAC Differential Pressure Indicators have no external dynamic seal. This results in a high system reliability due to magnetic actuation, thus eliminating a potential leak point.
  • A poppet-type bypass valve located in the filter head provides positive sealing during normal operation and fast opening during cold starts and flow surges. (Optional non-bypass available)
  • For special finishes and coatings - consult HYDAC for minimum quantities, availability and pricing.
  • Fatigue pressure ratings equal maximum allowable working pressure rating.

Application

N/A

  • Agricultural
  • Automotive
  • Construction
  • Gearboxes
  • Industrial
  • Pulp & Paper
  • Offshore
  • Railways
  • Commercial Municipal
  • Shipbuilding
  • Power Generation
  • Steel / Heavy Industry