Early warning pressure devices protect the hydraulic circuit from contamination, alerting the operator that the filter element is near capacity and must be changed. The clogging indicator is typically set to trip at 1-bar (14 psid) below the filter bypass setting, to allow the operator sufficient time for element change-out. Available in visual, combo electrical/visual, as well as an extensive list of other options and certifications. A comprehensive offering of clogging indicators ensures that any application can be accommodated.
Unit of Measure

Specifications

Type

N/A Return Line Static Indicator

Model Code Description

N/A VR2B.1

Type of Indication

N/A Visual, Red Pin

Weight

N/A 0.10 lb44 g

Trip Pressure/Range

N/A 29 psi2 bar

Trip Pressure/Range Tolerance

N/A -2.9 psi-0.2 bar

Note for Trip Pressure/Range

N/A When presented as a pressure followed by a negative (ex 29 psi -4.4 psi), the 4.4 is the lower tolerance. This is not to be interpreted as a range (ex 4.4 - 29 psi). The range in this instance would be 24.6 - 29 psi. Indicators are not field adjustable.

Trip Pressure / Range

N/A 2 bar29 psi

Note for Pressure Setting

N/A Optional, for use in lube applications - not available with all types- Consult HYDAC

Operating Pressure [Max]

N/A 102 psi7 bar

Permitt. Temperature [Min]

N/A -30 ºC-22 ºF

Maximum Permitt. Temperature

N/A 100 ºC212 ºF

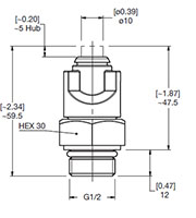
Thread

N/A G 1/2

Housing Material

N/A Aluminum

Medium

N/A Mineral Oil or Water Based Fluids

Max. Torque

N/A 11 lb·ft15 N·m

Industry Standards/Certifications

N/A ATEX, UL and CSA®US

BUn

N/A EA

Short Description

N/A Visual pop-up with automatic reset

Division

N/A HYDRAULIC AND LUBE FILTERS

Product Group Family

N/A INDICATORS-STATIC

Product

N/A MISCELLANEOUS H&L

Purpose of Clogging Indicators

N/A Clogging indicators are warning devices that signal visually and/ or electrically that the filter element is filled with contaminants and should be changed or cleaned. These devices activate (trip) when the flow of fluid causes a pressure drop across the filter element that exceeds the indicator setting. In filters that incorporate bypass valves, contaminated fluid will bypass the element if the operator does not respond to the indicator warning signal within a reasonable time. In non-bypass filters, if the indicator warning is not heeded, the pressure across the filter will build up to the point where system performance is degraded, the element fails, or the system relief valve is actuated.

The indicator is set to trip well before the element becomes fully clogged (14 psid / 1 bar lower than bypass), thereby giving the operator sufficient time to take corrective action. The indicator warning may be a visual signal at the filter site (pop-up button, light, etc.); or, some form of signal at a remote location (trouble light, sound alarm, etc.). In some critical applications, where contamination is intolerable, the signal from the indicator may be used to shut down the system so that personnel must immediately service the unit.

Some users install filters without indicators, preferring instead to change and/or clean elements according to a fixed time schedule - or based on number of hours of operation. There is some risk in utilizing this approach. It may be difficult to establish a reliable schedule for installing new elements because the rate of dirt ingression is not known, and, in fact, may vary from time-to-time and from machine-to-machine. Use of a clogging indicator has two main benefits: first, it eliminates the need to guess when the element will clog; second, it avoids the unnecessary cost of replacing elements too soon.

Clogging Indicator Settings

N/A In a majority of applications, a HYDAC indicator is set to trip at 15 psid (1 bar) below the bypass valve cracking pressure; or, for a non-bypass filter, at 15 psid below the element design change out pressure. Typically, a HYDAC pressure filter bypass valve begins to crack at 87 psid (6 bar), so the indicator is set to trip at 72 psid (5 bar). A HYDAC return filter ordinarily begins to bypass at 43 psid (3 bar), so the indicator is set to trip at 29 psid (2 bar). Consequently, the operator has a period of time in which to change or clean the element before the bypass valve opens and passes contaminated fluid to sensitive components downstream of the filter.

Typically, the time from indication to bypass is 5-15% of the life of the element. For instance, if the normal service life of the element is 100 days, there is a grace period of 5-15 days before the filter begins bypassing. Nevertheless, it is advisable to change the element as soon as the indicator trips.

Non-standard indicator settings are often employed for various reasons. For instance, in lubrication systems, filters may not be allowed to have a high pressure drop, therefore, the indicator may be set to trip at less than 15 psid. When the filter is installed on the suction side of a pump, it is a common practice to limit the ΔP across the filter to 3 psid, and to set the indicator at a correspondingly low amount.

Certain HYDAC non-bypass filters, such as the DFDK duplex series and DFZ series of sandwich filters, utilize indicators that are set at 116 psid (8 bar) in order to maximize the dirt retention and service life of the elements.

In most cases, HYDAC pressure and return line filters bypass at higher pressures than other commonly used filters, meaning that indicator settings also are higher than usual. This has the advantage of extending element service life.

Type of Indicators

N/A Filter assemblies may be ordered with or without indicators. When ordered with an indicator, the assembly model code includes a letter symbol for the indicator, such as B, C, or D. When ordered separately, an indicator has its own complete model code, as described subsequently in this brochure.

A type B or BM visual indicator is suitable when only a local warning is required. When it is necessary to signal a remote warning device, control panel, or PLC, one of the electric switches should be specified. Various kinds of switches are available to provide a range of electrical configurations, contact ratings, and connections.

The D indicator incorporates a switch and built-in light for both local and remote warning signals.

Special Clogging Indicators

N/A Mobile indicators These indicators have been developed for special applications and are fitted with AMP, Deutsch and Junior Power Timer plugs.

ATEX indicators These indicators are used in potentially explosive locations and are subject to the ATEX Equipment Directive 94/9/EC and the ATEX Operator Directive 1999/92/EC.

UL and CSA® Clogging Indicators Indicators which are exported to the USA and Canada often require classification according to current UL and CSA® standards. The UL and CSA® symbols are found on many products, particularly in the field of electrical engineering.

Interchangeability

N/A HYDAC indicators are designed for use only with HYDAC filters, and should not be applied to other makes of filters.
Certain differential pressure indicators can be used in non-filter applications when mounted on special blocks. Detailed information regarding blocks of various kinds is presented subsequently in this brochure.

Application Guidelines

N/A Differential pressure indicators react to the pressure drop across the filter that is caused by the flow of fluid through the filter housing and element. These devices measure the difference in pressure upstream and downstream of the filter element, regardless of the system pressure. They are utilized in most pressure and inline return filters.
Static pressure indicators measure only the build-up of pressure upstream of the filter element (downstream pressure is ambient - tank vented to atmosphere). Consequently, if any components are located downstream of the filter, the indicator will measure the pressure drop caused by the filter and that component, thus, causing a false reading of ΔP across the filter. As a result, static indicators are recommended only on filters that discharge directly to vented tanks and have minimal back pressure.
A filter that incorporates a differential pressure indicator should be used whenever there is a significant resistance to flow in the line after the filter, even when system pressure is relatively low. For example, the filter in the feed line of a lube system requires a differential pressure indicator, although the system pressure may be low.

Static Pressure Indicator Operation

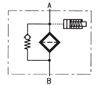
N/A Increasing pressure upstream of the filter acts upon a diaphragm in the indicator (Type 3) and causes the indicator pin to overcome an opposing spring force until it trips at a pre-set pressure. The indicator pin automatically resets once pressure is reduced below the trip pressure. Electric static pressure indicators, which also operate mechanically, are available as well. These too, reset automatically

Key Features

N/A Automatic vs. Manual Reset
All indicators with electric switches reset automatically to their original position when the pressure across the filter drops below trip pressure. This is true, also, for the type B visual indicator. However, on the type BM visual indicator with manual reset, the signal arm extends once the trip pressure is exceeded and remains that way until physically reset. The advantage is that the indicator signals that the element is dirty even after the system is shut down, thus, simplifying maintenance.

Thermal Lockout
When mobile and other equipment is started in the cold, the hydraulic or lube fluid is likely to be highly viscous until it approaches normal operating temperature. The high pressure drop created by a highly viscous fluid can trip the indicator and falsely signify that the element is clogged. An optional thermal lockout device, available on many HYDAC electric indicators, prevents the indicator from tripping until the fluid reaches a certain specified temperature. The device consists of a switch in series in the indicator circuit, which is caused to make or break by a bi-metal strip that alters in shape according to temperature.

The thermal lockout feature may be chosen so that the indicator is deactivated at a fluid temperature less than 100ºF ±5º(called T100). Because electric indicators automatically reset once the fluid heats up, thermal lockout is necessary only when a false signal of filter condition during cold start-up poses a problem.

Single Pole, Double Throw Switches (SPDT)
HYDAC's differential pressure and most static pressure electrical indicators contain single-pole, double-throw switches. This provides the choice of normally open or normally closed contacts when the pressure differential is below trip-point.

Whether the contacts are normally open (N/O) or normally closed (N/C) is determined by the way in which the indicator is wired on site.

Magnetic Coupling
Most of HYDAC's indicators employ magnetic coupling, which separates the fluid from the actuating device. The benefit is that there is no need for a dynamic seal, therefore, far less chance of fluid leakage under high system pressure.

Note

N/A Certain indicators have a red/ yellow/ green display in addition to, or instead of, the pop-up indicator pin.
All other VMF indicators come with Fluorocarbon elastomer (FKM) seals as a standard (no Supplementary Detail required).